|
|
 |
 |
| 名称:Z41W、Z41Y、Z41H 不锈钢闸阀 |
|
产品介绍:
Z41W、Z41Y、Z41H 不锈钢闸阀结构紧凑、设计合理、阀门刚性好、通道流畅、流阻系数小,密封面采用不锈钢和硬质合金,使用寿命长,采用柔性石墨填料、密封可靠、操作轻便灵活。应用于工作压力 1.6MPa~20.0MPa,工作温度 -29℃~200℃的石油、化工、水力、火力电站各种系统的管路上,适用介质为硝酸类、醋酸类、水、油、气类及某些腐蚀性液体。
- 符合先进标准的要求,密封可靠、性能优良、造型美观。
- 密封副配对先进合理,闸板和阀座的密封面采用不同硬度的硬质合金堆焊而成,密封可靠、硬度高、耐磨、耐高温、耐腐蚀、抗擦伤性能好、寿命长。
- 阀杆经调质及表面氮化处理,有良好的抗腐蚀性、抗擦伤性和耐磨性。
- 可采用各种配管法兰标准及法兰密封面形式,满足各种工程需要及用户要求。
设计与制造:GB12234-89
法兰尺寸:JB/T79-94
结构长度:GB12221-89
检验与试验:GB13927
Z41W、Z41Y、Z41H 不锈钢闸阀主要性能规范
| 型号 |
PN |
工作压力 / MPa |
适用温度 / ℃ |
适用介质 |
| Z41W-16P~25P |
16~25 |
1.6~2.5 |
≤ 150 |
弱腐蚀性介质 |
| Z41Y-16P~25P |
| Z41W-16R~25R |
| Z41Y-16R~25R |
| Z41W-40P~63P |
40~63 |
4.0~6.3 |
≤ 150 |
弱腐蚀性介质 |
| Z41Y-40P~63P |
| Z41W-40R~63R |
| Z41Y-40R~63R |
| Z41Y-100P~160P |
100~160 |
10.0~16.0 |
≤ 150 |
弱腐蚀性介质 |
| Z41Y-100R~160R |
| Z41H-40P~200P |
40~200 |
4.0~20.0 |
≤ 200 |
硝酸类 |
| Z41H-40R~200R |
Z41W、Z41Y、Z41H 不锈钢闸阀零部件材料
| 型号 |
材料 |
| 阀体、阀盖、闸板 |
阀杆 |
密封面 |
填料 |
| Z41W-16P~25P |
铬镍钛不锈钢 |
铬镍钛不锈钢 |
本体材料 |
石棉石墨或柔性石墨 |
| Z41Y-16P~25P |
堆焊硬质合金 |
| Z41W-16R~25R |
铬镍钼钛不锈钢 |
铬镍钼钛不锈钢 |
本体材料 |
| Z41Y-16R~25R |
堆焊硬质合金 |
| Z41W-40P~63P |
铬镍钛不锈钢 |
铬镍钛不锈钢 |
本体材料 |
聚四氟乙烯 |
| Z41Y-40P~63P |
堆焊硬质合金 |
| Z41W-40R~63R |
铬镍钼钛不锈钢 |
铬镍钼钛不锈钢 |
本体材料 |
| Z41Y-40R~63R |
堆焊硬质合金 |
| Z41Y-100P~160P |
铬镍钛不锈钢 |
铬镍钛不锈钢 |
堆焊硬质合金 |
聚四氟乙烯 |
| Z41Y-100R~160R |
铬镍钼钛不锈钢 |
铬镍钼钛不锈钢 |
| Z41H-40P~200P |
铬镍钛不锈钢 |
不锈钢 |
不锈钢或不锈钢+硬质合金 |
柔性石墨 |
| Z41H-40R~200R |
铬镍钼钛不锈钢 |
不锈钢 |
不锈钢或不锈钢+硬质合金 |
柔性石墨 |
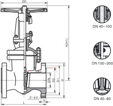
Z41W、Z41Y (PN16) 不锈钢闸阀外形及结构尺寸 (mm)
| DN |
L |
D |
D1 |
D2 |
b |
f |
z×ød |
H |
D0 |
重量 / kg |
| 15 |
130 |
95 |
65 |
45 |
14 |
2 |
4×ø14 |
175 |
200 |
4 |
| 20 |
150 |
105 |
75 |
55 |
14 |
2 |
4×ø14 |
180 |
200 |
5 |
| 25 |
160 |
115 |
85 |
65 |
14 |
2 |
4×ø14 |
210 |
200 |
6 |
| 32 |
180 |
135 |
100 |
78 |
16 |
2 |
4×ø18 |
210 |
200 |
7 |
| 40 |
200 |
145 |
110 |
85 |
16 |
3 |
4×ø18 |
350 |
200 |
19 |
| 50 |
250 |
160 |
125 |
100 |
16 |
3 |
4×ø18 |
358 |
240 |
29 |
| 65 |
265 |
180 |
145 |
120 |
18 |
3 |
4×ø18 |
375 |
240 |
33 |
| 80 |
280 |
195 |
160 |
135 |
20 |
3 |
8×ø18 |
433 |
280 |
45 |
| 100 |
300 |
215 |
180 |
155 |
20 |
3 |
8×ø18 |
502 |
320 |
63 |
| 125 |
325 |
245 |
210 |
185 |
22 |
3 |
8×ø18 |
612 |
360 |
108 |
| 150 |
350 |
280 |
240 |
210 |
24 |
3 |
8×ø23 |
676 |
360 |
134 |
| 200 |
400 |
335 |
295 |
265 |
26 |
3 |
12×ø23 |
820 |
400 |
192 |
| 250 |
450 |
405 |
355 |
320 |
30 |
3 |
12×ø25 |
969 |
450 |
273 |
| 300 |
500 |
460 |
410 |
375 |
30 |
4 |
12×ø25 |
1142 |
560 |
379 |
| 350 |
550 |
520 |
470 |
435 |
34 |
4 |
16×ø25 |
1280 |
640 |
590 |
| 400 |
600 |
580 |
525 |
485 |
36 |
4 |
16×ø30 |
1452 |
640 |
850 |
| 450 |
650 |
640 |
585 |
545 |
40 |
4 |
20×ø30 |
1541 |
720 |
907 |
| 500 |
700 |
705 |
650 |
608 |
44 |
4 |
20×ø34 |
1676 |
720 |
958 |
| 600 |
800 |
840 |
770 |
718 |
48 |
5 |
20×ø41 |
1874 |
800 |
1112 |
Z41W、Z41Y (PN25) 不锈钢闸阀外形及结构尺寸 (mm)
| DN |
L |
D |
D1 |
D2 |
b |
f |
z×ød |
H |
D0 |
重量 / kg |
| 15 |
130 |
95 |
65 |
45 |
16 |
2 |
4×ø14 |
175 |
200 |
4 |
| 20 |
150 |
105 |
75 |
55 |
16 |
2 |
4×ø14 |
180 |
200 |
5 |
| 25 |
160 |
115 |
85 |
65 |
16 |
2 |
4×ø14 |
210 |
220 |
6 |
| 32 |
180 |
135 |
100 |
78 |
18 |
2 |
4×ø18 |
210 |
220 |
7 |
| 40 |
200 |
145 |
110 |
85 |
18 |
3 |
4×ø18 |
350 |
220 |
18 |
| 50 |
250 |
160 |
125 |
100 |
20 |
3 |
4×ø18 |
358 |
250 |
25 |
| 65 |
265 |
180 |
145 |
120 |
22 |
3 |
8×ø18 |
373 |
280 |
35 |
| 80 |
280 |
195 |
160 |
135 |
22 |
3 |
8×ø18 |
435 |
300 |
50 |
| 100 |
300 |
230 |
190 |
160 |
24 |
3 |
8×ø23 |
500 |
350 |
65 |
| 125 |
325 |
270 |
220 |
188 |
28 |
3 |
8×ø25 |
614 |
400 |
100 |
| 150 |
350 |
300 |
250 |
218 |
30 |
3 |
8×ø25 |
674 |
450 |
135 |
| 200 |
400 |
360 |
310 |
278 |
34 |
3 |
12×ø25 |
818 |
500 |
180 |
| 250 |
450 |
425 |
370 |
332 |
36 |
3 |
12×ø30 |
969 |
550 |
207 |
| 300 |
500 |
485 |
430 |
390 |
40 |
4 |
16×ø30 |
530 |
560 |
400 |
| 350 |
550 |
550 |
490 |
448 |
44 |
4 |
16×ø34 |
1280 |
640 |
631 |
| 400 |
600 |
610 |
550 |
505 |
48 |
4 |
16×ø34 |
1450 |
640 |
900 |
| 450 |
650 |
660 |
600 |
555 |
50 |
4 |
20×ø34 |
1541 |
720 |
1013 |
| 500 |
700 |
730 |
660 |
610 |
52 |
4 |
20×ø41 |
1676 |
720 |
1166 |
| 600 |
800 |
840 |
770 |
718 |
56 |
5 |
20×ø41 |
1874 |
800 |
1258 |
| 700 |
900 |
955 |
875 |
815 |
60 |
5 |
24×ø48 |
2280 |
850 |
— |
| 800 |
1000 |
1070 |
990 |
930 |
64 |
5 |
24×ø48 |
2420 |
900 |
— |
Z41W、Z41Y、Z41H (PN40~PN63) 不锈钢闸阀外形及结构尺寸 (mm)
| DN |
L |
D |
H |
W |
重量 / kg |
| 50 |
250 |
160 |
685 |
250 |
30 |
| 175 |
30 |
| 65 |
280 |
180 |
705 |
250 |
41 |
| 200 |
300 |
42 |
| 80 |
310 |
195 |
780 |
250 |
48 |
| 210 |
350 |
51 |
| 100 |
350 |
230 |
805 |
300 |
78 |
| 250 |
400 |
80 |
| 125 |
400 |
270 |
890 |
350 |
112 |
| 295 |
400 |
125 |
| 150 |
450 |
300 |
945 |
350 |
152 |
| 340 |
1002 |
450 |
175 |
| 200 |
550 |
375 |
1100 |
400 |
200 |
| 405 |
1150 |
450 |
220 |
| 250 |
650 |
445 |
1350 |
450 |
300 |
| 470 |
500 |
320 |
| 300 |
750 |
510 |
1445 |
500 |
450 |
| 530 |
1528 |
650 |
490 |
| 350 |
850 |
570 |
1665 |
— |
680 |
| 595 |
1792 |
— |
700 |
| 400 |
950 |
655 |
1930 |
— |
850 |
| 670 |
2180 |
— |
920 |
Z41Y、Z41H (PN100) 不锈钢闸阀外形及结构尺寸 (mm)
| DN |
L |
D |
H |
W |
重量 / kg |
| 50 |
250 |
195 |
680 |
300 |
48 |
| 65 |
280 |
220 |
720 |
300 |
68 |
| 80 |
310 |
230 |
870 |
350 |
92 |
| 100 |
350 |
265 |
885 |
400 |
133 |
| 125 |
400 |
310 |
1020 |
450 |
216 |
| 150 |
450 |
350 |
1110 |
500 |
275 |
| 200 |
550 |
430 |
1225 |
500 |
360 |
| 250 |
650 |
500 |
1257 |
550 |
700 |
Z41Y、Z41H (PN160) 不锈钢闸阀外形及结构尺寸 (mm)
| DN |
L |
D |
H |
W |
重量 / kg |
| 65 |
340 |
245 |
820 |
350 |
110 |
| 80 |
390 |
260 |
850 |
350 |
145 |
| 100 |
450 |
300 |
980 |
400 |
192 |
| 125 |
525 |
355 |
1050 |
450 |
307 |
Z41H (PN200) 不锈钢闸阀外形及结构尺寸 (mm)
| DN |
L |
D |
H |
W |
重量 / kg |
| 50 |
350 |
210 |
712 |
350 |
108 |
| 65 |
410 |
260 |
765 |
400 |
195 |
| 80 |
470 |
290 |
835 |
450 |
250 |
| 100 |
550 |
360 |
950 |
500 |
350 |
| 125 |
650 |
385 |
1080 |
500 |
540 |
| 150 |
750 |
440 |
1140 |
600 |
738 |
【产品外形及结构尺寸示意图】

|
| 【我要订购】 【关闭】 |
|
|
|
|