| 
 | 
    
        
          
              
                  | 
                  | 
               
              
                
                    
                      
	
  
  
    | 名称:Z41W 不锈钢法兰闸阀 | 
   
  
  
  | 
   
  
    产品介绍:  
Z41W不锈钢法兰闸阀适用于公称压力PN1.6~16.0MPa,工作温度-29℃~550℃的石油、化工、水力、火力电站各种系统的管路上,切断或接通管路介质。适用介质为:硝酸类、醋酸类、水、油、气类及某些腐蚀性液体。 
- 符合先进标准的要求,密封可靠、性能优良、造型美观。 
 - 密封副配对先进合理,闸板和阀座的密封面采用不同硬度的司太立(Stellite)钴基硬质合金堆焊而成,密封可靠、硬度高、耐磨、耐高温、耐腐蚀、抗擦伤性能好、寿命长。 
 - 阀杆经调质及表面氮化处理,有良好的抗腐蚀性、抗擦伤性和耐磨性。 
 - 采用楔式弹性闸板结构,密封面与垂直中心线成一角度,即两个密封面成楔形,在管路中主要起切断介质作用。中大口径设置推力轴承,磨擦力小,并配有撞击手轮,启闭轻松自如。 
 - 可采用各种配管法兰标准及法兰密封面形式,满足各种工程需要及用户要求。 
  
设计与制造:GB12234-89 
法兰尺寸:JB/T79-94 
结构长度:GB12221-89 
检验与试验:GB13927 
Z41W不锈钢法兰闸阀主要性能规范
| 型号 | 
公称压力(MPa) | 
实验压力 | 
工作温度(℃) | 
适用介质 |  
| 强度(水)(Mpa) | 
密封(水)空气 | 
低压密封空气(Mpa) |  
| Z4IH-16C、Z41W-16P(R) | 
1.6 | 
2.4 | 
1.8 | 
0.6 | 
≤200 | 
NITRICACID |  
| 硝酸类 |  
| ACETICACID |  
| 醋酸类 |  
| NITRICACID |  
| Z41W-25P(R) | 
2.5 | 
3.8 | 
2.8 | 
0.6 | 
≤200 | 
硝酸类 |  
| Z41W-40P(R) | 
4.0 | 
6.0 | 
4.4 | 
0.6 | 
≤200 | 
ACETICACID |  
| Z41W-64P(R) | 
6.4 | 
9.6 | 
7.0 | 
0.6 | 
≤200 | 
醋酸类 |   
Z41W不锈钢法兰闸阀主要零件材质
| 阀体/阀盖 | 
ZG1Cr18Ni9Ti | 
ZG00Cr18Ni10 | 
ZG1Cr18Ni12Mo2Ti | 
ZG00Cr17Ni14Mo2 |  
| 零件名称 | 
ZG1Cr18Ni9Ti系列 | 
ZG00Cr18Ni10系列 | 
ZG1Cr18Ni12Mo2Ti系列 | 
ZG00Cr17Ni14Mo2系列 |  
| 闸板 | 
ZG1Cr18NI9Ti | 
ZG00Cr18Ni10 | 
ZG1Cr18Ni12Mo2Ti | 
ZG00Cr17Ni14Mo2 |  
| 阀杆 | 
1Cr18Ni9Ti | 
ooCr18Ni10 | 
1Cr18Ni12Mo2Ti | 
ooCr17Ni14Mo2 |  
| 填料 | 
PTFE编织 | 
PTFE编织 | 
PTFE编织 | 
PTFE编织 |  
| 垫片 | 
304L+PTFE | 
304L+PTFE | 
316L+PTFE | 
316L+PTFE |  
| 压盖 | 
ZG1Cr181Ni10 | 
ZG00Cr18Ni10 | 
ZG1Cr18Ni12Mo2Ti | 
ZG00Cr17Ni14Mo2 |  
| 填料压环 | 
1Cr18Ni9Ti | 
00Cr18Ni10 | 
1Cr18Mi12Mo2Ti | 
00Cr17Ni14Mo2 |  
| 螺栓 | 
1Cr171Ni2 | 
1Cr171Ni2 | 
1Cr171Ni2 | 
1Cr171Ni2 |  
| 螺母 | 
1Cr18Ni9Ti | 
1Cr18Ni9Ti | 
1Cr18Ni9Ti | 
1Cr18Ni9Ti |   
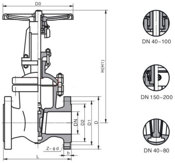
Z41W不锈钢法兰闸阀主要连接尺寸
| 型号 | 
公称通径 | 
尺寸(mm) |  
| L | 
D | 
D1 | 
D2 | 
b-f | 
z-Φd | 
H | 
D0 |  
| Z41W.6MPa | 
15 | 
130 | 
95 | 
65 | 
45 | 
14-2 | 
44 | 
170 | 
120 |  
| 20 | 
150 | 
105 | 
75 | 
55 | 
14-2 | 
44 | 
200 | 
120 |  
| 25 | 
160 | 
115 | 
85 | 
65 | 
14-2 | 
44 | 
215 | 
140 |  
| 32 | 
180 | 
135 | 
100 | 
78 | 
16-2 | 
48 | 
260 | 
160 |  
| 40 | 
200 | 
145 | 
110 | 
85 | 
16-3 | 
48 | 
290 | 
200 |  
| 50 | 
250 | 
160 | 
125 | 
100 | 
16-3 | 
48 | 
345 | 
220 |  
| 65 | 
265 | 
180 | 
145 | 
120 | 
18-3 | 
48 | 
360 | 
240 |  
| 80 | 
280 | 
195 | 
160 | 
135 | 
20-3 | 
88 | 
385 | 
280 |  
| 100 | 
300 | 
215 | 
180 | 
155 | 
20-3 | 
88 | 
430 | 
300 |  
| 125 | 
325 | 
245 | 
210 | 
185 | 
22-3 | 
88 | 
520 | 
320 |  
| 150 | 
350 | 
280 | 
240 | 
210 | 
24-3 | 
8-23 | 
610 | 
350 |  
| 200 | 
400 | 
335 | 
295 | 
265 | 
26-3 | 
12-23 | 
765 | 
400 |  
| 250 | 
450 | 
405 | 
355 | 
320 | 
30-3 | 
12-25 | 
895 | 
450 |  
| 300 | 
500 | 
460 | 
410 | 
375 | 
30-4 | 
12-25 | 
1145 | 
500 |  
| 350 | 
550 | 
520 | 
470 | 
435 | 
34-4 | 
16-25 | 
1200 | 
550 |  
| 400 | 
600 | 
580 | 
525 | 
485 | 
36-4 | 
16-30 | 
1400 | 
600 |  
| 450 | 
650 | 
640 | 
585 | 
545 | 
40-4 | 
20-30 | 
1500 | 
650 |  
| 500 | 
700 | 
705 | 
650 | 
608 | 
44-4 | 
20-34 | 
1630 | 
700 |  
| 600 | 
800 | 
840 | 
770 | 
718 | 
48-5 | 
20-41 | 
1830 | 
800 |   
 
  | 
   
  
    | 【我要订购】   【关闭】 | 
   
  
  | 
                     
                    | 
               
              | 
         
        |