产品介绍:  【产品用途】 
衬氟截止阀适用在-50~150℃的各种浓度的王水、流酸、盐酸、氢氟酸和各种有机酸、强酸、强氧化剂,还适用于各种浓度的强碱有机溶剂以及其它腐蚀性气体,液体介质的管路上使用 
  
【执行标准】 
设计规范:GB/T 12233 GB/T 12235 
结构长度:GB/T 12221 
连接法兰:JB/T 78 JB/T 79 
试验与检验:GB/T 13927 
产品标识:GB/T 12220 
供货规范:JB/T 7928 
  
【性能规范】 
| 
 衬里、阀座  | 
 适用温度(℃)  | 
 适用介质  |  
| 
 PTFE(F4)  | 
 ≤180  | 
 除熔融碱金属、元素氟外的各种浓度的酸、碱、盐、王水、有机酸等强腐蚀性介质  |  
| 
 PCTFE(F3)  | 
 ≤120  |  
| 
 FEP(F46)  | 
 ≤150  |  
| 
 PFA(可熔性F4)  | 
 ≤180  |  
| 
 PVDF(F2)  | 
 ≤100  |  
| 
 RPTFE(RF4)  | 
 ≤180  |   
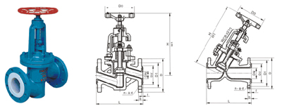
主要外形和连接尺寸 
| 规格 | 
L | 
D | 
D1 | 
D2 | 
f | 
b | 
n-d | 
D0 | 
H | 
H1 |  
| DN | 
NPS | 
1.0MPa |  
| 15 | 
  | 
90 | 
95 | 
65 | 
45 | 
2 | 
14 | 
4-14 | 
100 | 
240 | 
265 |  
| 20 | 
  | 
95 | 
105 | 
75 | 
55 | 
2 | 
16 | 
4-14 | 
100 | 
245 | 
270 |  
| 25 | 
1 | 
100 | 
115 | 
85 | 
65 | 
2 | 
16 | 
4-14 | 
120 | 
250 | 
275 |  
| 32 | 
1 | 
105 | 
135 | 
100 | 
78 | 
2 | 
18 | 
4-18 | 
120 | 
260 | 
290 |  
| 40 | 
1 | 
115 | 
145 | 
110 | 
85 | 
3 | 
18 | 
4-18 | 
140 | 
290 | 
325 |  
| 50 | 
2 | 
125 | 
160 | 
125 | 
100 | 
3 | 
20 | 
4-18 | 
140 | 
300 | 
335 |  
| 65 | 
2 | 
145 | 
180 | 
145 | 
120 | 
3 | 
20 | 
4-18 | 
160 | 
355 | 
400 |  
| 80 | 
3 | 
155 | 
195 | 
160 | 
135 | 
3 | 
22 | 
4-18 | 
160 | 
400 | 
450 |  
| 100 | 
4 | 
175 | 
215 | 
180 | 
155 | 
3 | 
22 | 
8-18 | 
180 | 
455 | 
495 |  
| 125 | 
5 | 
200 | 
245 | 
210 | 
185 | 
3 | 
24 | 
8-18 | 
180 | 
530 | 
560 |  
| 150 | 
6 | 
225 | 
280 | 
240 | 
210 | 
3 | 
24 | 
8-23 | 
240 | 
605 | 
650 |  
| 200 | 
8 | 
275 | 
335 | 
295 | 
265 | 
3 | 
26 | 
8-23 | 
240 | 
650 | 
770 |  
| 250 | 
10 | 
325 | 
390 | 
350 | 
320 | 
3 | 
28 | 
12-23 | 
280 | 
680 | 
800 |  
| 300 | 
12 | 
375 | 
440 | 
400 | 
368 | 
4 | 
28 | 
12-23 | 
280 | 
710 | 
835 |  
| 1.6MPa |  
| 15 | 
  | 
90 | 
95 | 
65 | 
45 | 
2 | 
14 | 
4-14 | 
100 | 
240 | 
265 |  
| 20 | 
  | 
95 | 
105 | 
75 | 
55 | 
2 | 
16 | 
4-14 | 
100 | 
245 | 
270 |  
| 25 | 
1 | 
100 | 
115 | 
85 | 
65 | 
2 | 
16 | 
4-14 | 
120 | 
250 | 
275 |  
| 32 | 
1 | 
105 | 
135 | 
100 | 
78 | 
2 | 
18 | 
4-18 | 
140 | 
260 | 
290 |  
| 40 | 
1 | 
115 | 
145 | 
110 | 
85 | 
3 | 
18 | 
4-18 | 
140 | 
290 | 
325 |  
| 50 | 
2 | 
125 | 
160 | 
125 | 
100 | 
3 | 
20 | 
4-18 | 
160 | 
300 | 
335 |  
| 65 | 
2 | 
145 | 
180 | 
145 | 
120 | 
3 | 
20 | 
4-18 | 
180 | 
355 | 
400 |  
| 80 | 
3 | 
155 | 
195 | 
160 | 
135 | 
3 | 
22 | 
8-18 | 
240 | 
400 | 
450 |  
| 100 | 
4 | 
175 | 
215 | 
180 | 
155 | 
3 | 
24 | 
8-18 | 
240 | 
455 | 
495 |  
| 125 | 
5 | 
200 | 
245 | 
210 | 
185 | 
3 | 
26 | 
8-18 | 
280 | 
530 | 
560 |  
| 150 | 
6 | 
225 | 
280 | 
240 | 
210 | 
3 | 
28 | 
8-23 | 
320 | 
605 | 
650 |  
| 200 | 
8 | 
275 | 
335 | 
295 | 
265 | 
3 | 
30 | 
8-23 | 
360 | 
650 | 
770 |  
| 2.5MPa |  
| 15 | 
  | 
90 | 
95 | 
65 | 
45 | 
2 | 
16 | 
4-14 | 
120 | 
245 | 
270 |  
| 20 | 
  | 
95 | 
105 | 
75 | 
55 | 
2 | 
16 | 
4-14 | 
120 | 
250 | 
275 |  
| 25 | 
1 | 
100 | 
115 | 
85 | 
65 | 
2 | 
16 | 
4-14 | 
140 | 
260 | 
290 |  
| 32 | 
1 | 
105 | 
135 | 
100 | 
78 | 
2 | 
18 | 
4-18 | 
140 | 
290 | 
325 |  
| 40 | 
1 | 
115 | 
145 | 
110 | 
85 | 
3 | 
18 | 
4-18 | 
160 | 
300 | 
335 |  
| 50 | 
2 | 
125 | 
160 | 
125 | 
100 | 
3 | 
20 | 
4-18 | 
180 | 
355 | 
400 |    
【结构图片】 
 |