|
|
 |
 |
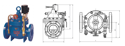
| 名称:水力电动控制阀 |
|
产品介绍: 【产品用途】
水力电动控制阀是一种以电磁阀为向导阀的水力操作式阀门。常用于给排水及工业系统中的自动控制,控制反应准确快速,根据电信号遥控开启和关闭管路系统,实现远程操作。并可取代闸阀和蝶阀用于大型电动操作系统。阀门关闭速度可调,平稳关闭而不产生压力波动。该阀门体积小、重量轻、维修简单、使用方便、安全可靠。电磁阀可选用交流电220V,或直流电24V,可根据各种场合选用常开或常闭型均可
【性能参数】
|
型号 |
J241X-10 |
J241X-16 |
J241X-25 |
|
工作压力(MPa) |
1.0 |
1.6 |
2.5 |
|
适用温度(℃) |
0~80 |
|
适用介质 |
水 |
|
材料 |
阀体、阀盖 |
铸铁 |
|
阀杆 |
铬不锈钢 |
|
阀座、阀盘 |
青铜 |
|
膜片 |
丁晴橡胶 |
主要外形和连接尺寸
| DN |
L |
A |
A1 |
H |
H1 |
F |
D mm |
D1 mm |
D2 mm |
n-Φd |
| mm |
mm |
mm |
mm |
mm |
mm |
PN1.0 |
PN1.6 |
PN2.5 |
PN1.0 |
PN1.6 |
PN2.5 |
PN1.0 |
PN1.6 |
PN2.5 |
PN1.0 |
PN1.6 |
PN2.5 |
| 20 |
180 |
194 |
136 |
342 |
250 |
116 |
105 |
105 |
105 |
75 |
75 |
75 |
58 |
58 |
56 |
4-13.5 |
4-13.5 |
4-14 |
| 25 |
180 |
194 |
136 |
342 |
250 |
116 |
115 |
115 |
115 |
85 |
85 |
85 |
68 |
68 |
65 |
4-13.5 |
4-13.5 |
4-14 |
| 32 |
180 |
194 |
136 |
342 |
250 |
116 |
140 |
140 |
140 |
100 |
100 |
100 |
78 |
78 |
76 |
4-17.5 |
4-17.5 |
4-18 |
| 40 |
240 |
240 |
155 |
395 |
278 |
170 |
150 |
150 |
150 |
110 |
110 |
110 |
88 |
88 |
84 |
4-17.5 |
4-17.5 |
4-18 |
| 50 |
240 |
240 |
155 |
395 |
278 |
170 |
165 |
165 |
165 |
125 |
125 |
125 |
102 |
102 |
99 |
4-17.5 |
4-17.5 |
4-18 |
| 65 |
255 |
255 |
165 |
405 |
298 |
180 |
185 |
185 |
185 |
145 |
145 |
145 |
122 |
122 |
118 |
4-17.5 |
4-17.5 |
8-18 |
| 80 |
280 |
280 |
175 |
430 |
315 |
210 |
200 |
200 |
200 |
160 |
160 |
160 |
133 |
133 |
132 |
8-17.5 |
8-17.5 |
8-18 |
| 100 |
360 |
332 |
195 |
510 |
350 |
275 |
220 |
220 |
235 |
180 |
180 |
190 |
158 |
158 |
156 |
8-17.5 |
8-17.5 |
8-22 |
| 125 |
400 |
375 |
220 |
560 |
365 |
310 |
250 |
250 |
270 |
210 |
210 |
220 |
184 |
184 |
184 |
8-17.5 |
8-17.5 |
8-26 |
| 150 |
455 |
408 |
230 |
585 |
420 |
355 |
285 |
285 |
300 |
240 |
240 |
250 |
212 |
212 |
211 |
8-22 |
8-22 |
8-26 |
| 200 |
585 |
485 |
255 |
675 |
450 |
460 |
340 |
340 |
360 |
295 |
295 |
310 |
268 |
268 |
274 |
8-22 |
12-22 |
12-26 |
| 250 |
650 |
550 |
300 |
730 |
470 |
500 |
395 |
405 |
425 |
350 |
355 |
370 |
320 |
320 |
330 |
12-22 |
12-26 |
12-30 |
| 300 |
800 |
630 |
340 |
760 |
490 |
580 |
445 |
460 |
485 |
400 |
410 |
430 |
370 |
370 |
389 |
12-22 |
12-26 |
16-30 |
| 350 |
860 |
735 |
415 |
840 |
526 |
640 |
505 |
520 |
555 |
460 |
470 |
490 |
430 |
430 |
448 |
16-22 |
16-26 |
16-33 |
| 400 |
960 |
788 |
430 |
910 |
570 |
715 |
565 |
580 |
620 |
515 |
525 |
550 |
482 |
482 |
503 |
16-26 |
16-30 |
16-36 |
| 450 |
1075 |
850 |
460 |
1070 |
610 |
780 |
615 |
640 |
670 |
565 |
585 |
600 |
532 |
550 |
548 |
20-26 |
20-30 |
20-36 |
| 500 |
1075 |
905 |
490 |
1135 |
665 |
830 |
670 |
715 |
730 |
620 |
650 |
660 |
585 |
585 |
609 |
20-26 |
20-33 |
20-36 |
| 600 |
1230 |
970 |
530 |
1270 |
725 |
920 |
780 |
840 |
845 |
725 |
770 |
770 |
685 |
685 |
720 |
20-30 |
20-36 |
20-39 |
| 700 |
1650 |
1050 |
560 |
1460 |
865 |
980 |
895 |
910 |
960 |
840 |
840 |
875 |
800 |
800 |
820 |
24-30 |
24-36 |
24-42 |
| 800 |
1750 |
1135 |
610 |
1640 |
975 |
1050 |
1015 |
1025 |
1085 |
950 |
950 |
990 |
905 |
905 |
928 |
24-33 |
24-39 |
24-48 |
【结构图片】
【安装示意图】
|
| 【我要订购】 【关闭】 |
|
|
|
|