产品介绍: 【产品用途】
对夹式硬密封蝶阀采用精密的J形弹性密封圈和三偏心多层次金属硬密封结构,被广泛用于介质温度≤425℃的治金、电力、石油化工、以及给排水和市政建设等工业管道上,作调节流量和载断流体使用
【产品特点】
1、对夹式硬密封蝶阀采用三偏心密封结构,阀座与蝶板几乎无磨损,具有越观越紧的密封功能
2、密封圈选用不锈钢制作,具有金属硬密封和弹性密封的双重优点,无论在低温和高温的情况下,均具有优良的密封性能,具有耐腐蚀,使用寿命长等特点
3、蝶板密封面采用堆焊钴基硬质合金,密封面耐磨损,使用寿命长
4、大规格蝶板采用绗架结构,强度高,过流面积大,流阻小
5、对夹式硬密封蝶阀具有双向密封功能,安装时不受介质流向的限制,也不受空间位置的影响,可在任何方向安装
6、驱动装置可以多工位(旋转90°或180°)安装,便于用户使用
【性能参数】
|
型号 |
D373H-10C~40 |
D373H-10P~40 |
|
工作压力(MPa) |
1.0~4.0 |
|
适用温度(℃) |
≤300 |
|
适用介质 |
水、油品、蒸汽等 |
|
材料 |
阀体、蝶板 |
铸钢 |
奥氏体不锈钢 |
|
阀杆 |
40Cr |
奥氏体不锈钢 |
|
密封面配对材料 |
不锈钢/不锈钢 |
不锈钢/司太立 |
|
填料 |
柔性石墨 |
聚四氟乙烯 |
主要外形和连接尺寸
| 公称通径 |
结构长度 |
外形尺寸 |
连接长度 |
| H |
D373H |
D673H |
D973H |
0.6MPa |
1.0MPa |
| mm |
Inch |
L |
H1 |
A1 |
B1 |
H2 |
A2 |
B2 |
H3 |
A3 |
B3 |
D1 |
Z-d |
D1 |
Z-d |
| 50 |
2 |
43 |
112 |
350 |
180 |
200 |
625 |
245 |
72 |
530 |
250 |
255 |
110 |
4-14 |
125 |
4-18 |
| 65 |
2? |
46 |
115 |
370 |
180 |
200 |
625 |
245 |
72 |
530 |
250 |
255 |
130 |
4-14 |
145 |
4-18 |
| 80 |
3 |
49 |
120 |
380 |
180 |
200 |
645 |
245 |
72 |
565 |
250 |
255 |
150 |
4-18 |
160 |
8-18 |
| 100 |
4 |
56 |
138 |
420 |
180 |
200 |
675 |
355 |
92 |
600 |
250 |
255 |
170 |
4-18 |
180 |
8-18 |
| 125 |
5 |
64 |
164 |
460 |
180 |
200 |
715 |
355 |
92 |
640 |
250 |
255 |
200 |
8-18 |
210 |
8-18 |
| 150 |
6 |
70 |
175 |
555 |
270 |
280 |
800 |
355 |
92 |
705 |
300 |
315 |
225 |
8-18 |
240 |
8-22 |
| 200 |
8 |
71 |
208 |
605 |
270 |
280 |
850 |
250 |
170 |
775 |
300 |
315 |
280 |
8-18 |
295 |
8-22 |
| 250 |
10 |
76 |
243 |
680 |
270 |
280 |
925 |
250 |
170 |
945 |
300 |
315 |
335 |
12-18 |
350 |
12-22 |
| 300 |
12 |
83 |
283 |
800 |
380 |
420 |
1035 |
450 |
200 |
1070 |
300 |
315 |
395 |
12-22 |
400 |
12-22 |
| 350 |
14 |
92 |
310 |
835 |
380 |
420 |
1070 |
450 |
220 |
1140 |
300 |
315 |
445 |
12-22 |
560 |
16-22 |
| 400 |
16 |
102 |
340 |
915 |
450 |
470 |
1190 |
450 |
220 |
1210 |
300 |
315 |
495 |
16-22 |
515 |
16-26 |
| 450 |
18 |
114 |
380 |
960 |
480 |
490 |
1250 |
650 |
280 |
1335 |
575 |
714 |
550 |
16-22 |
565 |
20-26 |
| 500 |
20 |
127 |
410 |
1020 |
480 |
490 |
1290 |
650 |
280 |
1415 |
575 |
714 |
600 |
20-22 |
620 |
20-26 |
| 600 |
24 |
154 |
470 |
1225 |
480 |
490 |
1455 |
850 |
380 |
1605 |
656 |
810 |
705 |
20-26 |
725 |
20-30 |
| 700 |
28 |
165 |
550 |
1355 |
640 |
660 |
1585 |
850 |
380 |
1844 |
656 |
810 |
810 |
24-26 |
840 |
24-30 |
| 800 |
32 |
190 |
640 |
1470 |
640 |
660 |
1700 |
1250 |
380 |
2040 |
656 |
810 |
920 |
24-30 |
950 |
24-33 |
| 900 |
36 |
203 |
710 |
1545 |
750 |
860 |
1965 |
1250 |
380 |
2255 |
785 |
863 |
1020 |
24-30 |
1050 |
28-33 |
| 1000 |
40 |
216 |
770 |
1795 |
850 |
900 |
2015 |
1250 |
380 |
2380 |
785 |
863 |
1120 |
28-30 |
1160 |
28-36 |
| 1200 |
48 |
254 |
890 |
1965 |
850 |
900 |
2250 |
1250 |
380 |
2640 |
785 |
863 |
1340 |
32-33 |
1380 |
32-39 |
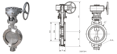
【结构图片】
|