|
|
 |
 |
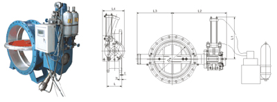
| 名称:蓄能器式快关蝶阀 |
|
产品介绍: 【产品用途】
蓄能器式快关蝶阀主要用在热电厂并联机组和煤气余热发电机组上,用以作为保护系统安全得紧急切断阀门
主要外形和连接尺寸
| DN |
PN |
L |
L1 |
L2 |
L3 |
L4 |
法兰连接尺寸 |
| 400 |
0.6 |
216 |
556 |
1449 |
320 |
440 |
GB/T17241 GB/T9113 |
| 1.0 |
216 |
556 |
1449 |
330 |
440 |
| 1.6 |
216 |
556 |
1449 |
345 |
440 |
| 450 |
0.6 |
222 |
556 |
1449 |
370 |
440 |
| 1.0 |
222 |
556 |
1449 |
380 |
440 |
| 1.6 |
222 |
580 |
1449 |
395 |
490 |
| 500 |
0.6 |
229 |
580 |
1449 |
400 |
440 |
| 1.0 |
229 |
580 |
1449 |
410 |
490 |
| 1.6 |
229 |
580 |
1449 |
425 |
490 |
| 600 |
0.6 |
267 |
580 |
1449 |
440 |
490 |
| 1.0 |
267 |
580 |
1449 |
460 |
490 |
| 1.6 |
267 |
625 |
1820 |
470 |
490 |
| 700 |
0.6 |
292 |
625 |
1449 |
436 |
490 |
| 1.0 |
292 |
625 |
1820 |
550 |
545 |
| 1.6 |
292 |
625 |
1820 |
570 |
545 |
| 800 |
0.6 |
318 |
625 |
1820 |
625 |
490 |
| 1.0 |
318 |
625 |
1820 |
640 |
545 |
| 1.6 |
318 |
625 |
1820 |
660 |
545 |
| 900 |
0.6 |
330 |
625 |
1820 |
700 |
545 |
| 1.0 |
330 |
625 |
1820 |
710 |
545 |
| 1.6 |
330 |
675 |
1820 |
725 |
610 |
| 1000 |
0.6 |
410 |
625 |
1820 |
760 |
610 |
| 1.0 |
410 |
675 |
1820 |
770 |
610 |
| 1.6 |
410 |
675 |
2180 |
790 |
610 |
| 1200 |
0.6 |
470 |
675 |
1820 |
875 |
610 |
| 1.0 |
470 |
675 |
2180 |
890 |
610 |
| 1.6 |
470 |
729 |
2180 |
915 |
720 |
| 1400 |
0.6 |
530 |
729 |
2180 |
1000 |
720 |
| 1.0 |
530 |
729 |
2180 |
1020 |
720 |
| 1.6 |
530 |
781 |
2180 |
1045 |
960 |
| 1600 |
0.6 |
600 |
781 |
2180 |
1120 |
720 |
| 1.0 |
600 |
781 |
2180 |
1140 |
960 |
【结构图片】
|
| 【我要订购】 【关闭】 |
|
|
|
|